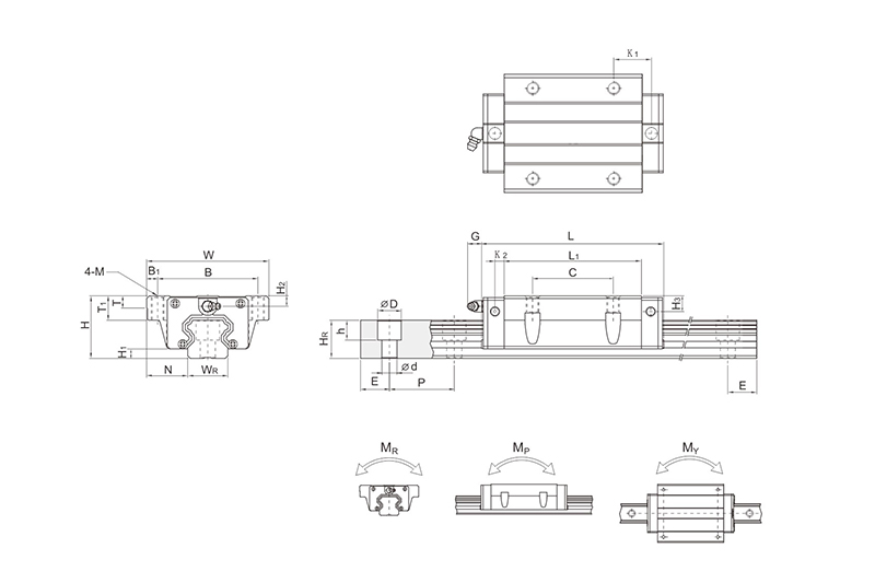
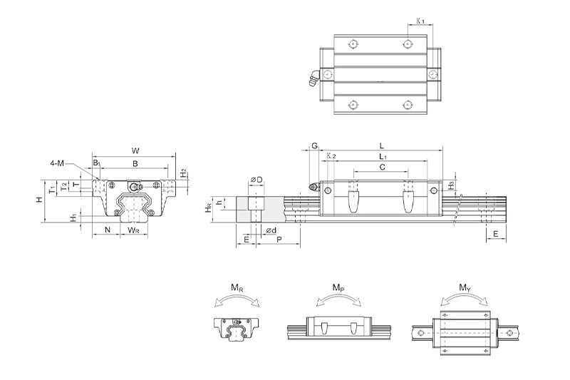
MQ series

  2024-05-22    0

Product Information