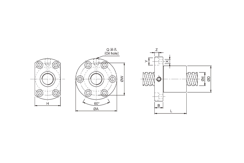
SFY series

  2024-05-22    0

Product Information

35162152726.jpg